产品中心

product center
QCP-同轴平行光源

QCP-同轴平行光源

同轴平行光源使用大功率高亮 LED光源发出散射光经特殊透镜模组、光学玻璃后,形成平行光。其光线能以同样的角度到达任何物体的表面,特别适合于光洁平面的缺陷检测、激光雕刻识别等。


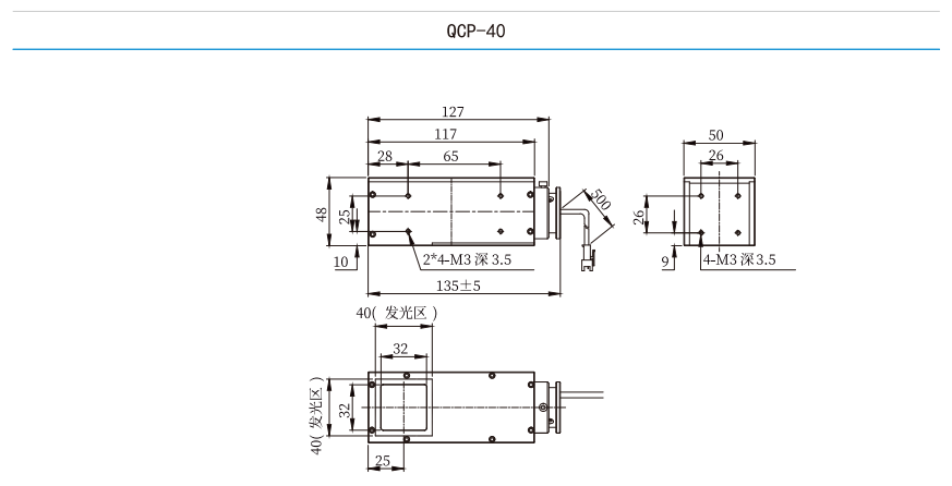
规格尺寸

同轴平行光源3D图.zip


产品详情

image.png

image.png

image.png

image.png

image.png

image.png

image.png

0512-66324950
取消
关注我们 关注我们
扫一扫,详细了解产品业务。
X